パーツモデルの作法(さくほう)

パーツモデリング、アセンブリ、ドローイング(図面)
3D-CADのオペレーションの基本となるパーツモデリング(部品作成)についてのお話です

私は元々手書きの図面からスタートして、設計ツールとして長年の間 AutoCADとSolidWorksを使用してきました またデータ変換や形状モデリング用としては Rhinocerosもモデリングツールとして重宝してきました
ここ10年程は学生、生徒向けの教育で Creo、Inventor、TinkerCAD、最近ではShapr3Dなどのソフトウェアツールを使用しています

パーツモデリングとしては、機構部品を主な対象としてソリッドモデリングと意匠形状などを対象とするサーフェスモデリングがあります
どちらも大まかな形状を作成してから細部のモデリングを行うことが基本です
細部を積み重ねて全体を作る作業はモデリングでは許されるのですが、設計デザインの観点からはお勧めできません 継ぎ足し工法の住宅のようにバランスの悪いものができてしまいます
デザイナーの方のスケッチを見ていても、はじめに大まかなラインを描きあたりをとりながら修正して細部を書き込む作業をしていきます
それらは主に一つのビューで表現されますが、設計者も図面化の際には同じような手順で考え、形の特徴を表すビューを正面にとらえ、それを補完するビューを側面や平面に設定していけば良いことがわかります

PCマウスのモデリング例

身近なモデリング例としてマウスを作成してみます
はじめに概略のサイズと輪郭を表す曲線を作成します

3Dカーブは2つの平面曲線から作成することができます

次にサーフェスを作成します


サーフェスは曲線間に貼らずに交差するようにサーフェスの基本形状を作成します
曲面間で作成すると隙間ができてしまいます
サーフェスは基本的に4辺を持って構成されています

交差部分でトリムします

3Dプリンターで出力したものが次の画像です


実際に手で操作する時の握り具合や感触を確認します
若干左右の曲率を大きくした方が良いと感じられるのでサーフェスに戻って修正します

形状を修正して細部の作り込みを行います

3Dプリンタで出力した結果です

製図と3DーCADのある場面

高専の3年生の3D-CADの授業で図のようなモデル作成の課題があります
上面が三角形で下面が円形をした形状を作成します(ロフト)

さて、上面の三角形はどのような三角形でしょうか?

正解は正三角形なのですが、なんとなく判りますよね
なんとなくでなく表しているのが(-10)という寸法なのです

()付で表される寸法は、参考寸法と言われます
本来記入しなくても良い寸法ですが、図面を読む人のために付け加えられている寸法です
記入しなくてもよいということは、寸法の無い図形ということになります
よって、円に内接する正三角形ということが言えます
二等辺三角形であれば、()を除いた寸法として指定しなければなりません

このように情報(寸法)が無いことで意味を伝えるということもあります

3D-CADでは幾何的にまたは寸法によって定義して図形(スケッチ)を作成します
上図の課題の時に、直径40の円に内接し10という寸法定義でスケッチを作成してはいけません
三角形の3辺が等しい長さであるという幾何拘束による定義を使用するのがこの課題にふさわしいと言えます

標準数(Preferred Numbers) JIS Z8601

 設計などで数値を定めるときの基準となる数です。段階的に数値を定める場合、一つの数値を定める場合にもなるべく標準数から選ぶようにします。

標準数を選ぶ場合は、増加率の大きい数列から選びます。

(参考)モジュール数 Module Dimension

標準数と同じように用いられる数列に、モジュール数があります。標準数は等比級数ですが、モジュール数は等差級数になっており、大型の設備装置などに使いやすい寸法体系になっています。下表の例は、960モジュールの寸法体系です

(参考)配列番号の使い方

(配列番号を使った例)標準数16×1.5の標準数を求める

    16の配列番号〔48〕、1.5の配列番号〔7〕

    48+7=55 ∴ 配列番号〔55〕は、23.6(R40数列)

             配列番号に[+1]すると、R5 数列の25となる

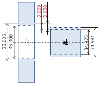
はめあい (Fit)

部品の寸法に公差(Tolerance)を設定しますが、複数の部品で構成されるアセンブリの場合にも設計時に考慮しなければならない寸法関係があります。代表的なものに穴と軸の関係があります。「はめあい」(Fit)は軸と穴がはまり合う関係を言います。

出典:What is difference between the tolerance and allowance. http://www.mechcadacam.com

回転する車軸とベアリングでは、すきまが必要です。また、軸を穴に挿入(圧入)して固定する場合には、軸径が穴径よりも大きくなるようにお互いの公差を設定する必要があります。

              出典:機械製図 105 実教出版

穴と軸の関係をサイズ公差によって規定した IOSはめあい方式(ISO fit system)があり、JIS(日本産業規格)でも JIS B0401 で規格化されています。

はめあいの表記は以下のように、穴の公差域の指定では大文字のアルファベットが使用され、軸の公差域の表示では、小文字のアルファベットが使用されます。

Φ35 H7  (Φ35:穴の直径サイズ、H:穴の公差域、7:等級)

Φ35 g6  (Φ35:軸の直径サイズ、 g:軸の公差域、7:等級)

アルファベットで表される記号は基準寸法(35)からの偏りを表し、その後に続く数字(等級)は公差の幅を表しています。

出典:公差域クラスの記号の意味と記入テクニック(世界で戦えるGLOBALエンジニアになるための製図技術)http://mypage.otsuka-shokai.co.jp
出典:公差域クラスの記号の意味と記入テクニック(世界で戦えるGLOBALエンジニアになるための製図技術)http://mypage.otsuka-shokai.co.jp

具体的な公差の値を求めるには、はめあい公差表(参考:機械製図 付表2,3)から基準寸法に該当する公差を求めます。

公差・許容差

設計段階では、部品の各部の寸法は強度計算をしたり規格などに基づいて決めます。3DーCADでモデリングする時も、幾何拘束や寸法を決めて形状を作成します。

設計された部品を製作するとき、設計で決められた寸法をねらって製作しますが、必ず誤差が伴います。また、正確な寸法に近づけるには時間もコストも掛かります。

よって、製作の際には加工方法を考慮して寸法に許容できる合理的な幅(大小二つの限界サイズの差)を与えます。これが公差(Tolerance)です。製作された(出来上り)寸法は、製作方法による偏りは発生しますが、ランダムにばらつくと考えられます。

加工の基準となる寸法(図示サイズ / Nominal size)に対して、大小二つの限界寸法(許容限界サイズ)を指定することはできます。図示サイズと許容限界サイズの差を「上の許容差 Upper Deviation」と「下の許容差 Lower Deviation」と呼びます

                  出典:機械製図 P105 実教出版

2D設計製図(AUTOCAD)・コマンドオプション

上図は、リボンメニューの作図/円の▼をクリックして、作図円のメニューを開いたところです。こんどはキーボードを使って、「C」「スペース」とキーインしてみます。

「C」は Circleコマンドの略で、スペースキー は AUTOCADでは、Enterキーと同じに扱われます。Circleコマンドが実行されると、まず作図する円の中心点の入力を求められます。このときにキーボードの下向き矢印」を押すと、グラフィック画面の円の中心を求めるダイナミックプロンプトの下に、選択できるオプションが表示されます。ここで「2点」のオプションをマウスでクリックすると、中心位置の入力から2点での入力に切り替えることができます。

コマンドラインには、オプションが[]の中にグレーで表示されていますので、ここをマウスでクリックしても、同様のことが行えます。

CADの操作に慣れてくると、リボンメニューからの作図よりもキーボードを使った方が早く操作が行えます。コマンドオプションについても理解しておきましょう。

2D設計製図(AUTOCAD)・一時Oスナップ

次図のような2円に接する線分を作図するにはどうしたら良いでしょう

答えは、線分コマンド1点目の指示で、円に対するオブジェクトスナップの接線を使い(この時点では点は円周上だけで定まってはいない)2点目も同様に接線を指示すると上図の赤い線(指示する場所によっては下側に)が作図できます。

一時Oスナップで選択された線分の1点目や2点目の指示の時に、たとえオブジェクトスナップで接線も選択されていたとしても、カーソルを円に近づけると円の中心が優先されてしまいます。このような場合に便利なのが一時O(オブジェクト)スナップです。
入力点を促されたときに、キーボードのShiftキーを押しながらマウスで右クリックします。そうすると一時Oスナップのショートカットメニューがグラフィック画面に表示されますので、ここで接線を選択します。

一時Oスナップで選択されたものは、優先して使用できます。思い通りに作図するには覚えておきたい機能です。

2D設計製図(AUTOCAD)・オブジェクトスナップ

すでに描いた図形の端点や中心など、1点を正確にクリックするために「オブジェクトスナップ」があります。

オブジェクトスナップの機能を使うと、すでに描かれた図形にカーソルが近づくと設定されたAutoSnapマーカーが表示されます。目的のマーカーが表示されているときにクリックすれば、正確に位置を拾うことができます。

オブジェクトスナップ機能のオン/オフは、ステータスバーの「オブジェクトスナップ」ボタンを押すことで行えます。素早く行える方法として、キーボードからは、ファンクションキー(F3)を使っても行うことができます。

「オブジェクトスナップ」ボタンのとなりの▼をクリックして設定を変更します(必要なものに ✔ を入れる)。また一番下の「オブジェクトスナップ設定」をクリックするとまとめて設定することができます。

2D設計製図(AutoCAD)・絶対座標、相対座標、極座標

図面では正確な図形を作図する必要があり、平面上の正確な位置に作図する場合には、座標を使って指示します。

座標の入力方法には、絶対座標(図面の原点からの位置 X,Y)、相対座標(直前の入力点からの位置 X,Y)、極座標(直前の入力点からの位置を距離(長さ)と角度で表す)があり、その基本的な入力法は次の通りです

絶対座標入力 : # X,Y 

相対座標入力 : @ X,Y 

極座標入力  : @ l< a  注)l(距離/長さ) a(角度) 

但し、実際に入力してみると、1点目は絶対座標入力(#は省略できる)、次の点の入力ではダイナミック入力(作図画面のカーソル位置付近での入力)では、極座標入力の形式になっています(下図)。ここで、絶対・相対入力に切り替えるには、#、@をつけカンマで区切ることで入力を切り替えることができます。(参考:コマンドラインからの入力では、絶対座標がデフォルトです)